Products SOLID CHUCK / ROTARY HYDRAULIC CYLINDERS

Detail
Aluminum-Alloy made outer structure makes the weight lighter than the traditional rotary cylinders; Meanwhile, the compactness and miniaturization enhance the stability and lower the burden of machines.
With built-in “check valve”, work pieces can be effectively prevented from flying out during abrupt failure of pressure.
 



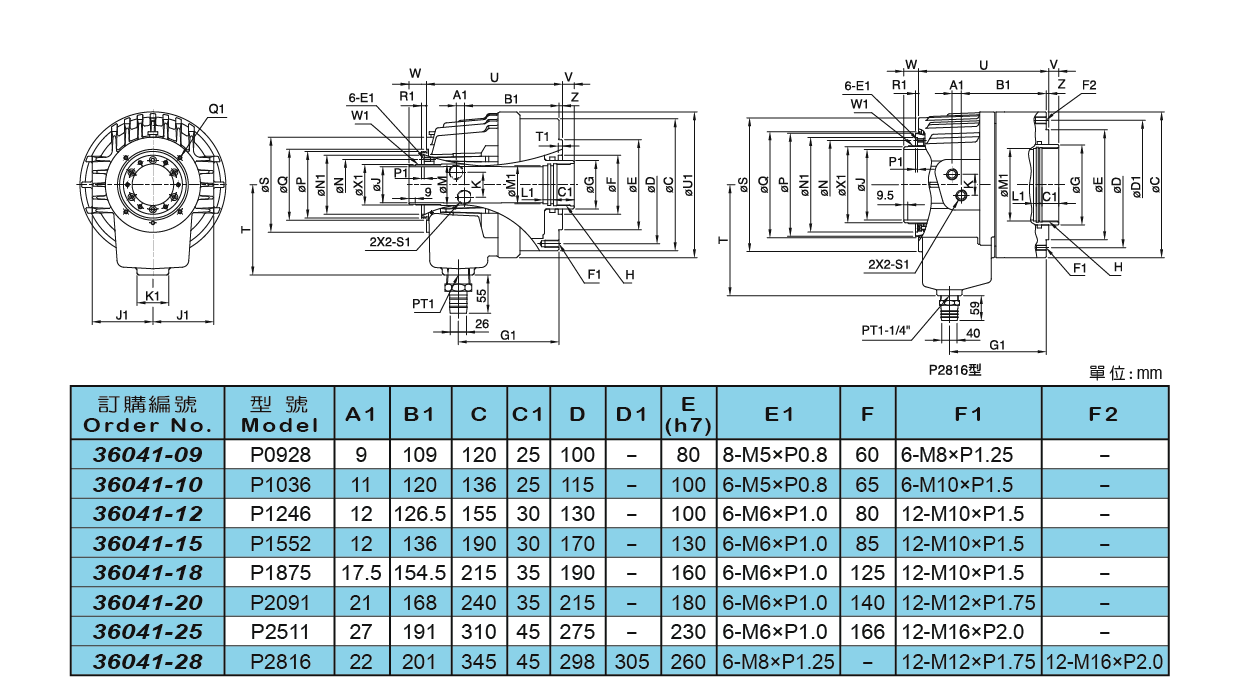
P0928 P1036 P1246 P1552 P1875 P2091 P2511 P2816